Window installation in the insulation layer
COMPACFOAM Klima Konform – Surface-mounted installation for windows and doors within the insulation layer
Can be screwed directly into place using standard window frame screws; ift-certified; documented for structural stability, fall protection, burglary resistance and sound insulation.
Configure now & enquirescrewable
ift-System test
Fall protection ETB
screwable without pre-drilling
RC2 / RC3 Burglary protection
Fire resistance class B1
Sound insulation up to 64 dB
Disc weight up to 1.500 kg
Custom CNC profiles available
Formaldehyde-free
recyclable
screwable
ift-System test
Fall protection ETB
screwable without pre-drilling
RC2 / RC3 Burglary protection
Fire resistance class B1
Sound insulation up to 64 dB
Disc weight up to 1.500 kg
Custom CNC profiles available
Formaldehyde-free
recyclable
A surface-mounted system made from high-density structural insulation
Click the button below to load YouTube content. This will share data with third-party providers.
More InformationKlima Konform – the system
Window installation in the insulation layer
safe, cost-effective, verifiable
The COMPACFOAM Klima Konform system integrates windows and doors into the insulation layer. The installation frame, made from high-density structural insulation (CF125 or CFeco200), is fixed all the way round the window opening on the load-bearing wall – screwed directly into place without pre-drilling the profile. The window is then fitted into the frame, just as in a traditional wall opening.
The advantages of surface-mounted installation: the window plane is moved outwards into the insulation. This improves the thermal performance at the building component interface, increases solar heat gain and eliminates the ‘loopholes’ look associated with deep reveals.
New build with external thermal insulation composite system (ETICS) (160–300 mm insulation thickness)
Renovation of an older building with retrofitted external insulation
Passive House projects (Ψ-value optimisation)
Lift-and-slide doors and heavy elements weighing up to 1,500 kg
Double-shell masonry
Steel substructures
Floor-level elements with fall protection (ETB)
CF-V-Fixx
System for specialist applications in double-shell masonry
The CF-V-Fixx system has been developed for the installation of windows and doors within the insulation layer of double-skin masonry and rear-ventilated façades. Its use is particularly recommended when it is not structurally possible to screw the window in place from the front – for example, because the outer shell of the masonry has already been installed or because the project involves the renovation of existing double-skin masonry.
The CF-V-Fixx profiles mounted on the building structure form a continuous, thermally insulating frame. The system safely transfers wind and live loads to the load-bearing structure. The profiles are bonded and additionally secured mechanically.
Montage in der Dämmebene bei zweischaligem Mauerwerk
Altbausanierung mit bereits bestehendem zweischaligem Mauerwerk
Einsatzgebiete, bei denen eine Verschraubung des Rahmens von vorne bautechnisch unmöglich ist
Nachhaltiges Bauen mit dem Ziel, einen späteren Fenstertausch zu erleichtern
Why COMPACFOAM Klima Konform?
Cladding mounting systems are available from various manufacturers – based on foamed EPS profiles, recycled PU panels, extruded plastic profiles and individual steel brackets. The differences lie in the details: ease of installation on site, the insulating properties of the substrate, the level of documentation required for building approval, and flexibility for special constructions. COMPACFOAM stands out in all four respects.
screwability
No pre-drilling, no dowels – 7.5 mm window frame screw driven directly into the material
In PUR-based systems, the window is secured using adhesive and metal brackets. This works, but requires curing times and suitable weather conditions. With the Klima Konform system, the fitter drives a standard window frame screw directly through the profile into the substrate – without pre-drilling into the COMPACFOAM. The screw-in depth into the building structure depends on the substrate material (concrete, sand-lime brick, aerated concrete, etc.); the table is available for download.
Thermal insulation
Improved isothermal curves, verified fRsi value
DIN 4108-2 requires a temperature factor fRsi ≥ 0.7 to prevent mould growth. The pre-wall installation using the Klima Konform system shifts the window plane into the insulation, thereby improving the isothermal distribution at the building component junction. The critical surface temperature of 12.6 °C (under standard climate conditions of -5 °C outside / +20 °C inside) is reliably maintained. COMPACFOAM CF125 achieves a design thermal conductivity value of λ = 0.038 W/mK.
Fall protection (ETB)
Tested in accordance with the ETB guideline – Categories A, C2 and C3
Floor-to-ceiling window units must be able to withstand a load of at least 2.8 kN at the fixing points in the event of an impact. The Klima Konform system meets the ETB requirements in all three categories. For fall-protection elements, a twin screw is fitted with a spacing of 80 mm; the edge distance is at least 40 mm, and the screw-in depth in the profile is 80 mm.
Burglary protection
Tested to RC2 and RC3 standards – passed static, dynamic and manual break-in tests
The test in accordance with ÖNORM B 5338 and DIN EN 1627-1630 comprises three stages: static loading of 3,000 N (RC2) or 6,000 N (RC3) on all critical points, a pendulum impact test using a 50 kg twin tyre, and a manual break-in test using standardised tools – both at the junction between the window frame and the Klima-Konform system and at the connection to the wall structure. The system passed all tests.
Soundproofing
Up to 64 dB – no reduction in the window sound insulation index
The high material density of COMPACFOAM minimises sound bridges at the point where the component meets the structure. The test report confirms that the Klima Konform system does not reduce the rated sound insulation performance of the installed window. When combined with mechanical decoupling from the wall structure, structure-borne sound transmission is reduced to a minimum.
Custom profiles and CNC machining
5-axis CNC up to 4,700 mm – insulation wedges, bevelled profiles, custom cross-sections
Standard profiles cover most installation scenarios. For custom designs – sloping top edges for rainwater drainage, integrated insulation wedges, bespoke soffit solutions – COMPACFOAM manufactures these on 5-axis CNC machines (up to 4,700 × 600 × 300 mm in a single piece) or using 2-axis wire cutting (up to 2,350 × 500 × 500 mm). The profiles are distortion-free and dimensionally stable.
Technical information & details
Lateral connection
Lower connection
Tolerance
Length: +5/-0 mm, bending <3 mm free-standing
Material
CF125 or CFeco200
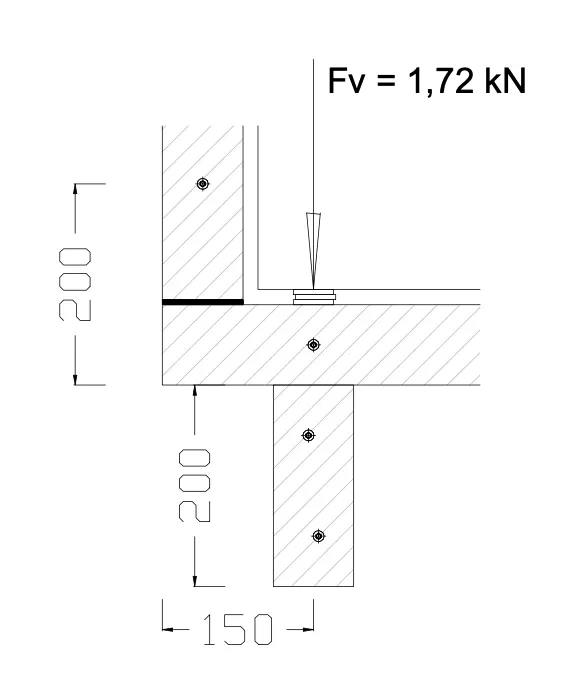
Transfer of vertical loads:
Each window construction is supported by point support blocks in the frame. The entire dead load of the window is concentrated under these support points and must be safely transferred into the wall.
Version 1
Force per fixing point < 0.86 kN
Version 2
1 additional fixing point
Force per fixing point < 1.23 kN
Execution 3
2 additional fixing points
Force per fixing point < 1.72 kN
A bracket (version 3) must be used if the projection of the climate-conforming profile is > 100 mm. The individual contact forces at the fixing points can be determined using the COMPACFOAM fixing calculator. Contact us to receive your individual dimensioning.
Transfer of horizontal loads:
Horizontal loads in window constructions arise due to wind or impact on the glazing panes. From there, they are transferred to the frame construction. This load is transferred to the mounting frame at a point via the side screw connection.
Lower connection
Lateral connection
Lateral connection with wide projection
A….max. screw connection distance top and side <700mm or according to static requirements.
B….max. distance between supports at the bottom <500mm, arrangement under corner points of the fixed panel Window frame screw cylinder head ø 7.5mm, distance and anchoring length in the substrate according to static requirements or RAL guideline. No pre-drilling required in the substructure insulation profile!
Lower connection
Screw connection from below
Lower connection
Screw connection from above
Lateral connection
Lower connection
A….max. screw connection distance <700mm
Window frame screw cylinder head ø 7.5mm, distance and anchoring length in the substrate according to static requirements or RAL guidelines. No pre-drilling required in the substructure insulation profile!
Tolerance
Length: +2/-2mm Milling tolerances: +/-0.3 mm Bending <3mm Free-standing feather keys +0.0/-0.5mm
Material
CF125 or CFeco200
Installation method for double-shell masonry and ventilated facades.
- CF-V-Fixx mounting profile
- brickwork
- Inner sealing film
- Drilling guide for angled screw connections with drilling template
- Adhesive beads using CF System Adhesive: 2 beads, 10 mm wide
- CF mounting screw 7.5 x 62 mm
- Interior window sill
- CF-V-Fixx system panel
- Sealing film on the outside
- CF mounting screw FK 7.5 mm (length as required)
- CF mounting screw FK 7.5 mm (length as required)
- CF mounting screw FK 7.5 mm (length as required)
1. Cutting the profiles to size
2. Apply adhesive
3. Pre-drilling and screwing
4. Positioning and aligning the remaining transoms
Diversity of the climate conformity system
The Klima Konform system offers customized special solutions for demanding construction projects. Whether flexible cross-sections, special shapes, integrated insulating wedges or individual soffit solutions – almost any requirement can be realized. Specially manufactured inclined profiles in the upper area also offer optimum protection against rainwater during the construction phase.
The products are warp-free and bend-free, which guarantees outstanding stability. Thanks to their low weight and high strength, they are also quick and easy to install.
This variety of options ensures perfect adaptation to every project and sets new standards in functionality, efficiency and quality.
Precise production is guaranteed by state-of-the-art technologies:
Drill the lower transom 150 mm from the end of the transom and drill the following holes at 700 mm intervals.
Use MS-Polymer for corner and butt joints to create airtight and watertight connections.
7.5 mm window frame screws with a flat head are used. The screws are available in lengths from 42 mm to 400 mm.
Click the button below to load YouTube content. This will share data with third-party providers.
More InformationClick the button below to load YouTube content. This will share data with third-party providers.
More InformationScrew-in depth
The screw-in depth depends largely on the material of the building structure, as different materials have different strengths and properties. Hard materials such as steel or concrete require shallower screw-in depths, while soft materials such as aerated concrete or lightweight bricks require a greater anchoring depth to ensure optimum stability. See table below.
Pre-drilling
The pre-drilling diameter depends on the material of the building structure. Especially for light Drilling with impact should be avoided in order to prevent damage to the material. Please refer to the table below for details.
Screw length
The screw length is determined by the projection of the pre-wall installation system (depth) and the material properties of the building structure (required screw-in depth).
The following applies to the drilling depth: screw-in depth + 10 mm.
Drilling and screwing table
COMPACFOAM can be easily cut to size using commercially available saws such as circular saws, pressure beam saws or hand-held circular saws. It is important to use saw blades with a wide tooth spacing and free chip space.
For the cutting of COMPACFOAM we recommend saw blades with flat teeth and chip thickness limiter and very large tooth pitch. Optimum cutting results are achieved at 2000 rpm.
Saw blade recommendation
Click the button below to load YouTube content. This will share data with third-party providers.
More InformationThe ETB guideline for fall-proof floor-to-ceiling components requires a load-bearing capacity of at least 2.8 kN at the relevant fixing points. The purpose of fall-protection glazing is to protect people from falling to a lower level. They should offer a low risk of injury in the event of an impact and ensure that the traffic area below is not endangered by broken glass. Examples of such glazing include balustrades, glass stair railings and floor-to-ceiling windows.
The Klima Konform system fulfills all of these requirements and thus offers the highest level of protection and safety for fall-proof elements.
For elements with fall protection properties (ETB), depending on the respective category (A / C2 / C3), the window profile must also be secured with a second screw (twin screw). The screw spacing is 80 mm, the edge distance is at least 40 mm to the outside of the pre-wall mounting profile, and the screw-in depth into the pre-wall mounting profile must be 80 mm.
In Austria, the fixing distances for all window types are uniformly specified as 700mm. The RAL guideline (DE) specifies a maximum of 700mm for PVC windows and 800mm for timber and aluminum windows. In principle, national and other specifications must be observed!
Tolerance
Length: +2/-2mm Milling tolerances: +/-0.3mm Bending <3mm Free-standing feather keys +0.0/-0.5mm
Material
CF125 or CFeco200
Burglary protection is tested in accordance with ÖNORM B 5338 and DIN EN 1627-1630 and comprises the following requirements:
Resistance to static load
The load-bearing capacity of the structure is tested by applying pressure loads of 3000 N RC2 and 6000 N RC3 to all critical points.
Resistance to dynamic load
A pendulum impact test with a 50 kg twin tire tests the stability of the system under dynamic forces at the relevant weak points.
Resistance to manual break-in attempts
In a two-stage test, the critical areas are tested for security using standardized burglary tools. The first test is carried out between the window frame and the Klima-Konform system. In addition, an attack is carried out on the connection of the pre-wall installation system to the wall body.
Sound insulation – Klima Konform
Sound insulation plays a central role in pre-wall installation, particularly in areas such as window construction, façade construction and metal construction. The targeted use of innovative materials and techniques can minimize sound bridges and ensure optimum acoustic properties for the building.
Sound-absorbing materials. High-density materials such as COMPACFOAM offer excellent acoustic properties. The high rigidity effectively minimizes sound bridges and ensures sustainable sound insulation of the building.
Decoupling. Mechanical decoupling of the construction from the wall reduces structure-borne sound transmission to a minimum and optimizes the acoustic performance of the building.
Thermal insulation: fRsi value in pre-wall installation with Klima Konform
Mold growth is often caused by excessively low temperatures on the inner reveal surface. DIN 4108-2 defines the temperature factor fRsi which describes the ratio of the surface temperature to the inside and outside temperature. A value of at least 0,7 ensures that the temperature remains high enough to prevent mold growth.
In the Standard climate the critical surface temperature is < +12,6 °C which is proof against possible mold growth.
Advantages of installation with Klima Konform
The pre-wall installation system Klima Konform improves the temperature curves between the wall system and the window. The isotherms clearly show the advantages of pre-wall installation compared to conventional installation.
Klima Konform achieves optimum thermal insulation that meets fRsi requirements and prevents mold growth.
General conditions
Outdoor temperature: -5 °C
Indoor temperature: +20 °C
Relative humidity outside: 80 %
Relative humidity inside: 50 %
Color coding of the isotherms:
With the help of a newly developed process, particle technology, we can reduce the waste of COMPACFOAM recycle to 100%. CFeco200, the result of this process, offers the same good properties as COMPACFOAM: high strength with excellent thermal insulation.
You can also order the Klima Konform system in the sustainable recycling version CFeco200.
In any case, you increase the proportion of recycled materials in construction and improve the eco-balance of your project and company. Because environmental protection means keeping things in circulation instead of disposing of them at great expense.
Click the button below to load YouTube content. This will share data with third-party providers.
More InformationConfigure and request the Klima Konform system
Select your system based on projection, profile cross-section and window type. Enquire directly about standard profiles, custom CNC profiles and accessories (screws, installation adhesive, saw blades, templates).
Configure now & enquireData sheets
Customer testimonials
‘We cut the profiles to size using our existing circular saw and screwed them together straight away. No special tools, no need to set up the workshop differently – that was the main reason we decided to test the system.’
Thomas R.
Window fitter
“For a Passive House project, the client requested all the necessary documentation – structural analysis, fall protection, and sound insulation. COMPACFOAM had documented everything. That made the final inspection much easier for us.”
Andreas K.
Projektleiterin
“For a renovation project involving 14 windows, we needed three different projections. The custom dimensions were no problem.”
Michael S.
Master metalworker
Videos
Click the button below to load YouTube content. This will share data with third-party providers.
More InformationInstallation video for pre-wall installation,
Standard
Click the button below to load YouTube content. This will share data with third-party providers.
More InformationInstallation video pre-wall installation, special case: heavy loads1
Click the button below to load YouTube content. This will share data with third-party providers.
More InformationInstallation video pre-wall installation, special case: heavy loads2
Click the button below to load YouTube content. This will share data with third-party providers.
More InformationInstallation video for pre-wall installation, V-Fixx (double-shell masonry)
Click the button below to load YouTube content. This will share data with third-party providers.
More InformationInstallation video pre-wall installation, special case steel construction
Click the button below to load YouTube content. This will share data with third-party providers.
More InformationCorrect sawing of structural insulation material
Click the button below to load YouTube content. This will share data with third-party providers.
More InformationAssembly video screw connection
Forms of supply
Standard length:
Length: 2250 mm, height: 80 mm
Custom sizes also available
Standard length:
Length: 2350 mm, Height: 80 mm
Custom sizes also available
Standard length:
Length: 2350 mm, Height: 80 mm
Custom sizes also available
CF125 & CFeco200
Standardlänge:
Länge: 2350mm, Höhe: 80mm
auch individuelle Maßen möglich
CF125 & CFeco200
Reviewed by
FAQ – Frequently Asked Questions about the Klima Konform System
CF125 is the standard material with a density of 125 kg/m³ and a λ-value of 0.038 W/mK. CFeco200 is made from 100% recycled COMPACFOAM offcuts, has a density of 200 kg/m³ and a λ-value of 0.045 W/mK. Both variants are approved for the Klima Konform system and have been tested by ift. CFeco200 offers identical functionality with an improved environmental footprint.
The system has been tested for panel weights of up to 1,500 kg. The actual load-bearing capacity depends on the projection, the number of fixing points and the substrate. For heavy elements (lift-and-slide doors, large fixed glazing units), special installation solutions with additional brackets are available for projections exceeding 100 mm.
COMPACFOAM is resistant to moisture and frost. The material does not absorb water, does not rot and retains its mechanical properties even when exposed to the elements over the long term. It is vapour-permeable and can therefore be used in external thermal insulation composite systems without any concerns regarding moisture.
COMPACFOAM is classified as B1 (flame-retardant) in accordance with DIN 4102-1 and as building material class E in accordance with EN 13501-1. The material therefore meets the requirements for use in ETICS facades. For specific fire safety requirements (e.g. building class 4/5), the installation situation must be assessed on a case-by-case basis.
Yes. COMPACFOAM can be worked with standard woodworking tools: circular saw, Japanese saw, hand-held circular saw, cordless screwdriver. No special tools are required. Saw blades with a wide tooth pitch and a clear chip space are recommended – a list of recommended saw blades is included. No pre-drilling is necessary in the profile itself.
The Klima Konform system has been tested for use on all load-bearing mineral substrates: concrete, sand-lime brick, solid brick, vertically perforated brick and aerated concrete. The screw-in depth and pilot hole diameter vary depending on the substrate – the full screw-in table is available to download. In the case of lightweight structures (e.g. aerated concrete), hammer drilling should be avoided.
Standard profiles are available in various depths from 35 mm. For greater depths or custom designs, COMPACFOAM manufactures bespoke profile cross-sections up to 4,700 mm in length in a single piece using 5-axis CNC machines. Insulation wedges, sloping profiles and integrated reveal solutions are also available as custom CNC profiles.
The profiles are joined at the ends using MS polymer. This creates joints that are airtight and resistant to driving rain. The profiles are designed so that offcuts can be reused – there is no waste. Corner joints are made using the same principle.
Adhesive-based systems (e.g. Purenit-based) transfer loads to the wall via the bonded surfaces. This requires suitable temperatures, curing times and, where necessary, a primer. The Klima Konform system is screwed directly into place in addition to being bonded – the screw connection can bear loads immediately, regardless of weather conditions and curing time. Both approaches are ift-tested, but differ in terms of installation procedure and on-site flexibility.
Not usually. The profiles can be butt-jointed and glued together. Offcuts can be reused. For projects with recurring dimensions, COMPACFOAM also supplies project-specific cut-to-length sections ex works – which further reduces the workload on site.
Yes. Standard profiles can also be ordered in small quantities from the COMPACFOAM online shop. For project clients, there is no need to go through distributors. Custom CNC profiles are manufactured on a project-by-project basis and are available even in small quantities.
COMPACFOAM provides comprehensive test documentation: ift system testing (in accordance with MO-01/1), ETB test reports for fall protection (Category A/C2/C3), burglary resistance test reports (RC2/RC3 in accordance with DIN EN 1627-1630), sound insulation test reports, thermal insulation calculations (fRsi, Ψ-values) and fire classification (B1). All documents available on request.
Yes. Positioning the window within the insulation layer significantly improves the Ψ-values at the building component junction. The specific Ψ-values depend on the wall structure, the window design and the projection. COMPACFOAM can assist with project-specific calculations – please contact our technical support team.
Yes. The window is bolted into the Klima Konform frame and can be removed by loosening the bolts. The installation frame remains in the wall. A new window is fitted into the same frame – the ETICS and the waterproofing remain largely intact.
Yes. The application engineering team provides support with preliminary structural calculations (fixing points, bolt lengths, bracket requirements), system selection (standard profile vs. custom CNC-machined profile) and structural verification. The COMPACFOAM fixing calculator determines the individual support forces at the fixing points.
Yes. COMPACFOAM provides tender documents for standard installation scenarios. These can be requested from the Applications Engineering department or via the downloads section. Project-specific documents are drawn up for special constructions.
Yes. Sample profiles for initial testing can be ordered via the online shop or directly from our technical support team. This allows you to test the product’s performance characteristics – such as screw-fastening properties, sawing performance and dimensional accuracy – yourself before making a decision on your project.
Standard profiles are available from stock at short notice. Custom CNC profiles are manufactured on a project-by-project basis – delivery times depend on the scope and complexity of the order. For a specific delivery date, please contact our Applications Engineering team with your project details.














































